Mechanik des Vorderrads
Der Vorderradsatz SR308 kombiniert hochwertige Luftfahrtmaterialien mit präziser Fertigungstechnik für unvergleichliche Leistung und Zuverlässigkeit.
Hochwertige Materialien
Die Kombination aus AL 6061 für das Radgehäuse und AL 7075 für Achse und Nabe bietet das ideale Gleichgewicht zwischen Stabilität und Leichtigkeit.
Präzisionseingriff
Zwei Kugellager 6803 sorgen für reibungsarme, gleichmäßige Drehung, was eine effiziente Kraftübertragung und lange Lebensdauer gewährleistet.
Optimierte Speichenkonfiguration
Mit 28 Speichenlöchern im 14G-Standard integriert sich der Vorderradsatz nahtlos in moderne Rahmen und hochwertige Räder.
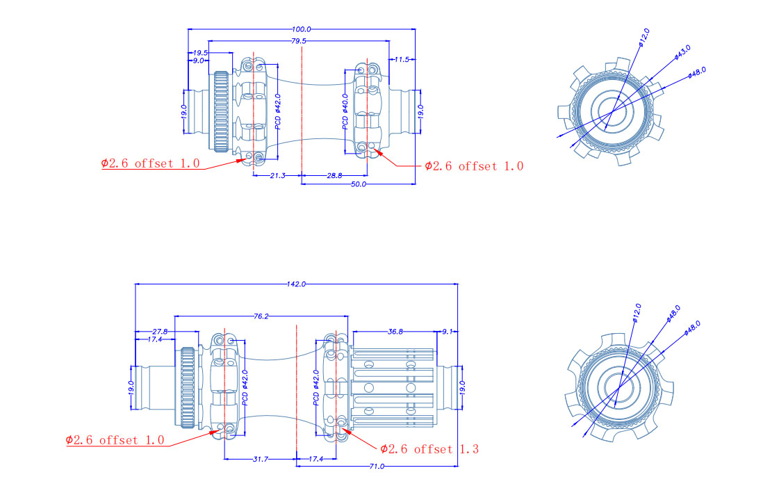
Standardmaße
Der OLD-Abstand von 100 mm und die Thru-Achse mit Φ12 mm machen ihn zur perfekten Wahl für die meisten Vorderrad-Konfigurationen.
Optimaler P.C.D.
Der P.C.D. von Φ40,0 mm - Φ42,0 mm ermöglicht optimale Speichenwinkel für maximale Radsteifigkeit.
"Die Verwendung von AL 6061 und AL 7075 im Vorderradsatz SR308 ist ein Meilenstein, der eine robuste und dennoch leichte Lösung für anspruchsvolle Radfahrer bietet."





